您的位置:首页 > 配件 > 叉车配件 > 产品详情

IMS.22 Pro MAX

IMS.22 Pro MAX

VIP商家

热门推荐

产品详情

产品图片

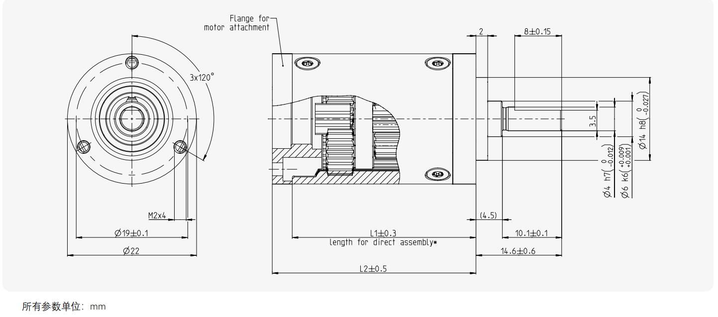
我们的 Pro 系列行星齿轮外径为 22 mm,将性能与坚固性相结合。在径向螺纹 MAX 版本中,它代表着更高的性能和更少的安装空间 性能 动力强劲、使用寿命长、坚固耐用 - 行星齿轮在众多应用中令人信服。 温度 也非常适合 -30° 至 +120°C 的苛刻温度范围。