您的位置:首页 > 配件 > 叉车配件 > 电气系统 > 辅件 > 产品详情

韩国DANHI丹海SRC摆动气缸回转气缸旋转气缸90度180度双出轴气缸

韩国DANHI丹海SRC摆动气缸回转气缸旋转气缸90度180度双出轴气缸

  • 品牌:韩国DANHI丹海
  • 发货地点:中国河北省石家庄市
  • 更新时间:2026-01-22 09:21
  • 立即询价

    加入收藏

    中国叉车网(www.chinaforklift.com)客服咨询

普通商家

产品详情

产品图片



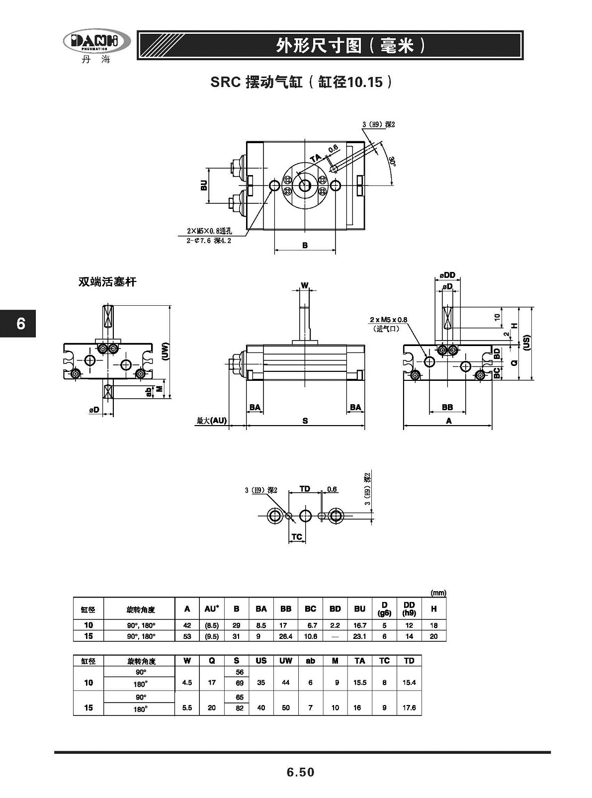
韩国DANHI丹海SRC系列齿轮齿条摆动气缸,气动旋转缸,旋转气缸,转轴气缸,90度旋转气缸,180度旋转气缸,回转执行器,旋转执行器,旋转摆台,旋转轴气缸,来回转轴气缸,双出轴摆动气缸,摆动回转气缸,回转摆动气缸,来回旋转气缸,旋转角度气缸,旋转摆动气缸,旋转摆轴气缸,摆台气缸,摆轴气缸,回转气缸:SRC10S-90,SRC10S-180,SRC15S-90,SRC15S-180,SRC20S-90,SRC20S-180,SRC30S-90,SRC30S-180,SRC10W-90,SRC10W-180,SRC15W-90,SRC15W-180,SRC20W-90,SRC20W-180,SRC30W-90,SRC30W-180。