您好,
帐号管理
收藏夹
退出
消息
0
请登录
免费注册
发布订购
English
手机关注
微信号:chinaforklift
关注官方微信
m.chinaforklift.com
手机扫码看新闻
我的办公室
销售
发布产品
管理产品
求购
发布求购
管理求购
添加收藏
关于我们
广告服务
中叉网广告服务
配件网广告服务
属具网广告服务
关键词排名
会员升级
帮助中心
常见问题
买家帮助
卖家帮助
问题反馈
网站导航
资讯
公司
品牌
整机
配件
属具
二手
租赁
采购
展会
视频
招聘
求职
专题
百科
期刊
首页
配件黄页
配件中心
配件供应
配件品牌
配件商铺
配件专栏
配件新闻
配件采购
叉车属具
叉车整机
广告服务
配件商:
资讯
资讯
公司
品牌
整机
配件
属具
采购
展会
视频
专题
百科
期刊
搜索
代理商:
您的位置:
首页
>
配件
>
叉车配件
>
电气系统
>
电机
> 产品详情
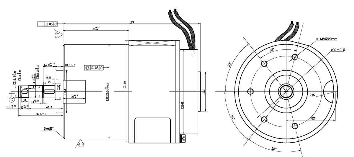
中大力德:Z130D650-24A1
发货地点:
中国浙江省宁波市
更新时间:
2019-12-18 10:01
立即询价
加入收藏
普通商家
宁波中大力德智能传动股份有限公司
经营模式:
叉车配件制造商 叉车配件批发和销售商
地区:
中国浙江省宁波市
电话:
400-019-0081
进入店铺
联系方式
分享到:
热门推荐
中天联合机电 叉车属具油缸
协力仪表 起动开关
金潮宇科:电动叉车蓄电池 VCD500
亿迈齿轮:IMS.32 Eco
得普达电机:XQY5-72-H2-M
毅狮迈:充气轮辋式实心轮胎 Kilomax
梦元线圈ST-4
宝发:烟度净化器 BF4
合肥方源:驾驶室
叉车AI防撞预警系统
靠普(Kaup)推出器 T 142
新柴490系列柴油机
联动属具:推出器
金快乐:叉车蓄电池
盛航10C和10J型叉车门架
和鼎:平衡重式锂离子电池
东华:板式链
镭神智能:3D SLAM建图定位盒子
企业推荐产品
更多>
中大力德:Z90DP48200-32S
中大力德:Z90DP24200-32S
中大力德:Z130D750-24A1
中大力德:Z130D650-24A1
产品详情
产品图片