您的位置:首页 > 配件 > 叉车配件 > 液压系统 > 辅件 > 产品详情

QYLX-160×3Q2 滤芯 QYLX 滤芯

QYLX-160×3Q2 滤芯 QYLX 滤芯

普通商家

热门推荐

产品详情

产品图片

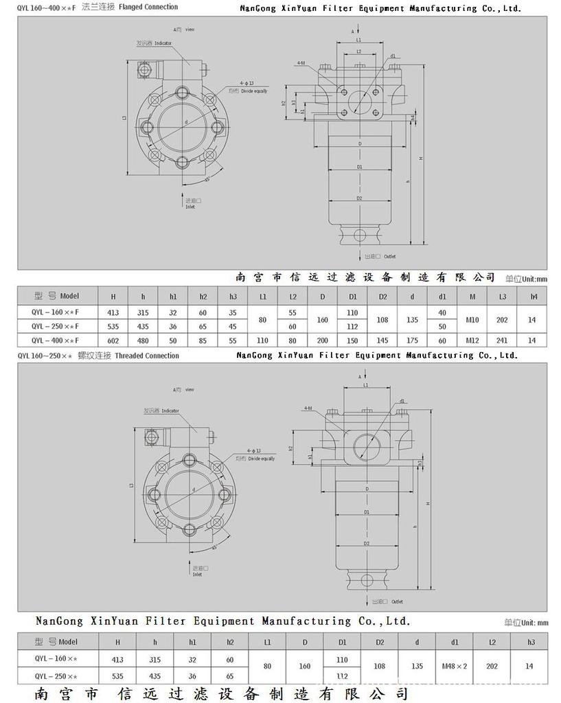
       QYL型回油过滤器

 










     南宫市信远过滤设备制造有限公司(原南宫市信远滤器制造厂)主要生产:滤芯,滤清器,滤油器,过滤器,滤油机,回油过滤器,吸油过滤器,高低压过滤器,国标滤芯代替产品,代替黎明滤芯,代替贺德克滤芯等,同时生产非标产品:高,中,低压滤芯,滤油机滤芯,滤油器滤芯,船舶滤油机滤芯,大流量回油过滤器及滤芯,精密过滤器,耐高温不锈钢液压油滤芯,粗过滤芯,精过滤芯,反冲洗滤芯,聚结分离滤芯,不锈钢折叠滤芯,玻璃纤维折叠滤芯,烧结滤芯,聚结分离滤芯,天然气管道滤芯,煤气过滤器滤芯,氢气管道滤芯,气水分离器滤芯,油水分离器滤芯,油气分离器滤芯,工业用过滤蜡滤芯,网式过滤器芯等设备液压油滤芯、过滤器。