您好,
帐号管理
收藏夹
退出
消息
0
请登录
免费注册
发布订购
English
手机关注
微信号:chinaforklift
关注官方微信
m.chinaforklift.com
手机扫码看新闻
我的办公室
销售
发布产品
管理产品
求购
发布求购
管理求购
添加收藏
关于我们
广告服务
中叉网广告服务
配件网广告服务
属具网广告服务
关键词排名
会员升级
帮助中心
常见问题
买家帮助
卖家帮助
问题反馈
网站导航
资讯
公司
品牌
整机
配件
属具
二手
租赁
采购
展会
视频
招聘
求职
专题
百科
期刊
首页
配件黄页
配件中心
配件供应
配件品牌
配件商铺
配件专栏
配件新闻
配件采购
叉车属具
叉车整机
广告服务
配件商:
资讯
资讯
公司
品牌
整机
配件
属具
采购
展会
视频
专题
百科
期刊
搜索
代理商:
您的位置:
首页
>
配件
>
叉车配件
> 产品详情
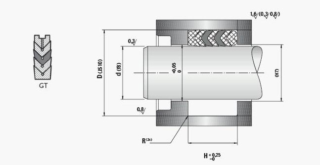
V型夹布油封
更新时间:
2008-12-08 11:35
立即询价
加入收藏
待审会员
佛山市意为液压配件有限公司
经营模式:
科研机构和协会
地区:
中国广东省佛山市
电话:
400-019-0081
进入店铺
联系方式
分享到:
热门推荐
卡斯卡特:创新型光学传感货叉
台创 辅助轮-辅助轮
靠普(Kaup)推出器 T 142
博索尼:LC-G “银线”系列软包夹
华泰液力:YJH315液力变矩器 YJH315
益佳通: 48V20AH小金刚叉车锂电池
毅狮迈:充气轮辋式实心轮胎 Kilomax
宝发:烟度净化器 BF4
合肥方源:驾驶室
叉车AI防撞预警系统
金潮宇科:电动叉车蓄电池 VCD500
新柴490系列柴油机
联动属具:推出器
金快乐:叉车蓄电池
盛航10C和10J型叉车门架
和鼎:平衡重式锂离子电池
东华:板式链
镭神智能:3D SLAM建图定位盒子
企业推荐产品
更多>
TECNOLAN 防尘密封件 OSI(国际标准)
骨架油封 标准件
NOK 系列密封件 各种型号.
密封件 TPM 各种型号.
意大利(TECNOLAN TECNOTEO TECNOTEX)
V型夹布油封
TECNOLAN 活塞密封件 各种型号
TECNOLAN 活塞杆密封件 OSI(国际标准)
产品详情
产品图片
V形夹布密封圈
工作压力: 0——40MPa
工作温度: —35— +120 ℃
工作速度: 0.5/s
工作介质: 水、液化油、乳化液等
●材料由夹布,由压环.密封环.支撑环组成。
密封效果好,用的寿命长,
对轴向及径向的震动及活塞的偏心负载适应性强。
能随高压及经常变化的压力。
拆装方便,可以按实际选择的件数组合高度。
欢迎来电。