您的位置:首页 > 配件 > 叉车配件 > 电气系统 > 充电机 > 产品详情

直流转换器48-12V 20A NQZB200-048-012C

直流转换器48-12V 20A NQZB200-048-012C
直流转换器48-12V 20A NQZB200-048-012C
直流转换器48-12V 20A NQZB200-048-012C

普通商家

热门推荐

产品详情

产品图片

使用说明

应用范围


本产品是用于直流电压转换的设备,适用各种直流电源应用而需要电压转换的场合, 尤其是各种电动车车辆,如电动叉车,高尔夫球车, 游览车等的, 也可应用于太阳能/风能等直流电源的电压转换。该转换器可提供输出为12V24V的电压。

特点



u 精心设计的电路, 保证系统高效、可靠运行;

u 同步整流, 转换效率≥93%,优于其他同类应用产品;

u 功率/散热储备充足可在长时间工作于额定电流;

u 专用铝型材机盒,有利于散热,体积小巧、安装方便;

u 宽电压输入,可偏差±20%, 适合蓄电池应用(单元电压1.65V~2.50V)

u 本产品内部均有过流保护,短路保护等电路;

u 适用于各种环境,防护等级IP55

u 性价比较高

详细参数



型号

蓄电池

输入电压范围

输出电压

输出电流

净重

规格规格尺寸

NQZB200-048-012C

48V

DC36V~60V

DC12V

0~20A

0.65kg

L140*D92*G46mm



安装说明



u 非隔离型DC/DC控制器接线方式



2 非隔离电源电气接线图

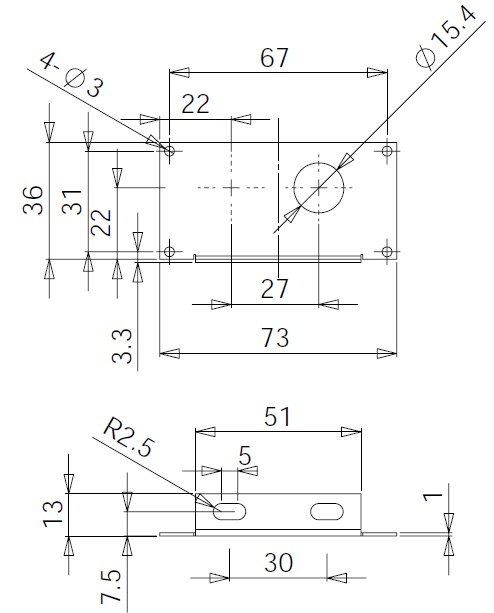
u 外形及安装尺寸







注: L=140mm/160mm/180mm黄色线接钥匙开关,接输入正极(单位:mm)

3 安装尺寸图

维护保修及注意事项



维护:

u 应安装于散热条件良好的空间, 长时间满载/重载应用须保证使底面与其他金属面接触良好, 以利热传导;

u 转换器接线时,注意正负电源不接反;

u 使用过程注意排除短路/过载等故障, 长时间短路/过载会损坏设备;

u 使用过程中就注意及时清除设备表面灰尘等影响散热杂物

保修期:12个月

注意事项:产品在以下范围内不予保修:

u 转换器外壳有严重变形或有自行拆封过;

u 转换器接线错误所导致的损坏,包括电源正负极或输入/输出接反;

u 其他人为损坏。