您好,
帐号管理
收藏夹
退出
消息
0
请登录
免费注册
发布订购
English
手机关注
微信号:chinaforklift
关注官方微信
m.chinaforklift.com
手机扫码看新闻
我的办公室
销售
发布产品
管理产品
求购
发布求购
管理求购
添加收藏
关于我们
广告服务
中叉网广告服务
配件网广告服务
属具网广告服务
关键词排名
会员升级
帮助中心
常见问题
买家帮助
卖家帮助
问题反馈
网站导航
资讯
公司
品牌
整机
配件
属具
二手
租赁
采购
展会
视频
专题
百科
期刊
首页
配件黄页
配件中心
配件供应
配件品牌
配件商铺
配件专栏
配件新闻
配件采购
叉车属具
叉车整机
广告服务
配件商:
资讯
资讯
公司
品牌
整机
配件
属具
采购
展会
视频
专题
百科
期刊
搜索
代理商:
您的位置:
首页
>
配件
>
叉车配件
> 产品详情
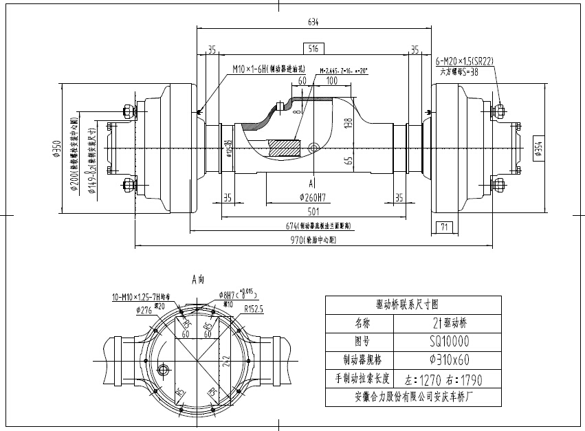
安庆车桥:2t驱动桥 2-2.5T驱动桥
品牌:
安庆车桥
发货地点:
中国安徽省安庆市
更新时间:
2022-09-16 13:48
立即询价
加入收藏
普通商家
安庆合力车桥有限公司
经营模式:
叉车配件制造商
地区:
中国安徽省安庆市
电话:
400-019-0081
进入店铺
联系方式
分享到:
热门推荐
新柴490系列柴油机
天能叉车铅蓄电池
联动属具:推出器
东华:板式链
梦元:线圈ST-4
龙合智能:气瓶手推车GCN-2
毅狮迈:充气轮辋式实心轮胎 Kilomax
宝发:烟度净化器 BF4
合肥方源:驾驶室
叉车AI防撞预警系统
金潮宇科:电动叉车蓄电池 VCD500
卡斯卡特:创新型光学传感货叉
靠普(Kaup)推出器 T 142
金快乐:叉车蓄电池
盛航10C和10J型叉车门架
和鼎:平衡重式锂离子电池
博索尼:LC-G “银线”系列软包夹
镭神智能:3D SLAM建图定位盒子
企业推荐产品
更多>
安庆车桥:2-3t小轴距桥 2-2.5T 转向桥
安庆车桥:2.5t转向桥总成 2-2.5T 转向桥
安庆车桥:5-7t转向桥总成 5-7T转向桥
安庆车桥:32T转向桥 32T转向桥
安庆车桥:5-7t驱动桥(手制动)总成 5-7T 驱动桥
安庆车桥:2.4t牵引车转向桥总成 牵引车转向桥
安庆车桥:10t转向桥轮毂 轮毂类
安庆车桥:5-7t驱动桥壳 桥体类
产品详情
产品图片